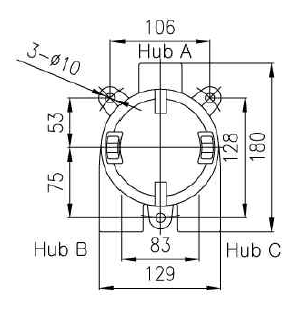
Junction / Terminal Box
Metallic Terminal Box
Junction Box
- Model
- EOS
- Exp. Grade
- Ex d IIC
- Certificate
