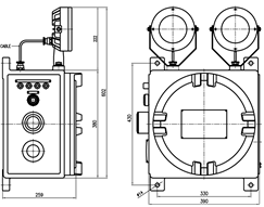
Nuclear Power Plant
Emergency Lighting Fixture
LED Emergency Lighting
- Model
- EELF
- Exp. Grade
- Ex d IIC T6
- Certificate

