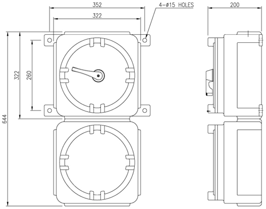
Panel
Exp. Metallic Panel
Circuit Breaker Box
- Model
- EPDP-M
- Exp. Grade
- Ex db IIC T6 Gb IP66
Ex tb IIIC T80℃ Db
- Certificate
